- Detalles
- Escrito por: oscarrodfer
- Categoría: Herramientas para el taller
- Visitas: 39
Gracias a electronoobs en español construimos esta placa caliente para soldar smd para nuestro taller.
Listado materiales
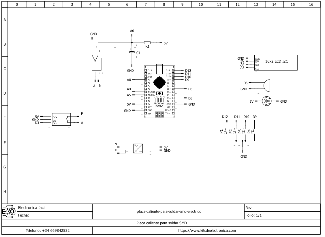
Esquema electrico

Gracias a electronoobs en español construimos esta placa caliente para soldar smd para nuestro taller.
