- Detalles
- Escrito por: oscarrodfer
- Categoría: Profe garcia
- Visitas: 73
Invita a un cafe al profe Garcia: https://www.paypal.com/webapps/shoppingcart?flowlogging_id=f1667891cd201&mfid=1765641938505_f1667891cd201#/checkout/openButton
https://www.youtube.com/shorts/CoMpbCNlk9A
Lista de materiales
| Ud | Descripcion | Precio |
| 1 | LCD 2X16 | |
| 1 | Arduino Uno R3 | |
| 1 | Protoboard 830 | |
| 1 | Potenciometro 10k | |
| 1 | Resistencia 100 ohmios | |
| 1 | Resistencia 10k ohmios | |
| 1 | Pulsador | |
| 1 | Jumper Macho - Macho |
Observaciones
En el repositorio se encuentra el codigo modificado para dibujar el muñeco con la conexion del curso bitwiser.
Como no poseo el excel de microsoft, abri el excel con libreoffice y cree la flecha, la cual podeis descargar desde el repositorio. Con la ayuda de este excel creamos la flecha y la dibujamos en el lcd. En el repositorio podeis encontrar como dibujar la flecha.
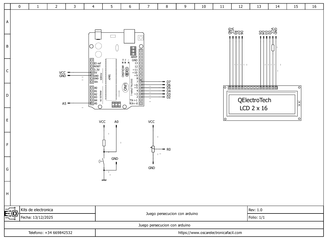
El siguiente paso es hacer el diagrama siguiente en nuestra protoboard.

Repositorios
- Detalles
- Escrito por: oscarrodfer
- Categoría: Profe garcia
- Visitas: 47
Invitale a un cafe al profe garcia: https://www.paypal.com/webapps/shoppingcart?flowlogging_id=f1667891cd201&mfid=1765641938505_f1667891cd201#/checkout/openButton
{youtube}https://youtu.be/LQyE7ZkYQws?si=jw_u2pUcJcO_LS3r{/youtube}
Compra el kit de arduino para realizar el curso en: https://amzn.to/3M0qgec
Lista de materiales
| UD. | Descripcion | Precio |
| 1 | LCD 2X16 | 6,99 |
| 1 | Arduino UNO | 31,79 |
| 1 | Regleta pin macho (40) | |
| 1 | Potenciometro 100K | |
| 1 | Resistencia 100 ohmios | |
| 1 | Cables jumper | |
| 1 | Protoboard 830 huecos |
Repositorio